banner1

液压式静力水准仪 沉降监测传感器

  • 所属分类:土木工程系列
  • 点击次数:
  • 发布日期:2017-04-14
  • 在线询价
详情信息


静力水准仪应用原理               

在使用中,多个静力水准仪的测压强腔体通过通液管串联联接至液位容器,由高精度硅晶芯体传感器测量,通过RS485信号传输到信号采集系统,通过压力监测过程的信号变化传输至信号采集系统,通过分析计算,随压力测量的变化而同步变化,由此测出各测点的压力变化量而分析地表的相对沉降高度。


静力水准仪产品描述                           

SD-226型晶硅式液位变送器是由储液器、进口高精度芯体和特殊定制电路模块、保护罩等部件组成。适用于测量地量程小精度高的液位测量。主要应用于地铁隧道,楼房地基沉降,大坝的测量 。



静力水准仪产品用途               

静力水准仪是一种高精密液位测量仪器,用于测量基础和建筑物各个测点的相对沉降。应用工地包括大型建筑物,如水电站厂、大坝、高层建筑物、核电站、水利枢纽工程,铁路、地铁、高铁等各测点不均匀沉降的测量 


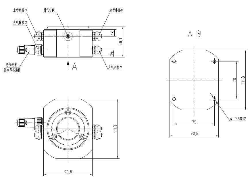
静力水准仪外形尺寸图






静力水准仪应用影响:

本产品在应用中可能出现的影响(简单介绍铁路动态事例):
轨道交通列车一般由于自身车重,在运行时会产生诸如瞬间气流、震动,导致产品在顺时或一段时间后出现测量误差较大的情况,以下举例说明:
a. 仪器内部空气压强的变化
    例如地铁运行使得隧道内部空气流动,导致静力水准容器内空气压强有降低的趋势,使得液面产生上升的趋势,导致在一段长时间后测试仪器内腔出现少量空气而影响测量精度(本产品设有排气阀,可完美解决)。
b. 列车震动影响
    列车车厢位于监测点附近时,使得监测点下沉,导致静力水准容器内液面上升;列车远离监测点后,监测点上抬,导致导致静力水准容器内液面下降。列车瞬间通过会使容器液面产生上下震动而导致监测产品内部测压腔体压力变化波动(本产品回复稳定速度快)。
c. 基准点的影响
    列车经过基准点时,对基准点造成以上a、b两种影响,会传递给监测点相反的作用



沉降监测设备在铁路上的发展介绍

 

                  



 铁路沉降监测主要目的
 
1、获取新建200-350km/h的无砟轨道路基荷载、自然沉降观测资料。  
2、通过监测,获得工程不同结构物沉降变形的真实状况和变形趋势。  
3、通过监测了解路基压实过程中沉降的动态变化,为后期的沉降评估提供及时、可靠的信息,以评定无碴轨道线下基础在荷载、自然沉降的安全性。  
4、对可能发生的工程安全的隐患提供预报,以便采取有效措施,避免事故的发生。  

 

安装前注意事项  


 1、安装前对基点选择的要求,要求基点原理测点距离尽可能的>1m相对稳定无振源干扰。落差不大于1.5m。测点之间的间距根据设计要求进行布置。  
2.安装前对传感器进行ID地址确认,并且记录在PC机软件内,将所所有要安装的传感器联机测试10分钟,安装时按照ID编号的顺序和测点位置确定传感器。  
连通管连接方式  
3、测点传感器采用膨胀螺栓固定安装并且要求固定牢固,然后将液体连通管串联至每个测点传感器,基点、储液罐相连接闭合,液体接口处螺丝锁死固定要求无漏液。  
4、气压平衡管采用液体联通管同样连接方式串联,然后和基点、储液罐联通。  
传感器的信号线连接方式:  
5、通信电缆的连接,线缆采用双绞屏蔽PU4*0.4防滑电缆,颜色分白色信号-蓝色信号+黑色12v-红色12v+采用接线盒按照线缆的颜色对应连接至接线盒,连接方式采用穿蓝测点基地串联方式通信、然后与采集仪相连。  
6、液体的添加不同的监测环境所对液体的要求也不一样,推荐两种液体,第一种为自来水,蒸馏水、一般采用该类液体首先要确定环境温度变换不大于10度,液体的膨胀系数子啊控制范围之内不会结冰上冻。  
7、防冻液+自来水、比例1:1该液体一般用在北方寒冷地区温度范围-20°-30°使用。主要目的防止液体结冰上冻。  
8、液体的添加有储液罐一处添加,添加液体时后端测点传感器气门打开保证能够有空气排出液体添加时应保证连通管、传感器内尽可能的没有气泡。气泡的直径不大于2mm。这样传感器的稳定相更有保障。气泡的排出方法,采用气门下压即可排出。 

                            


PG体育-PG体育·(中国)官方网站